
MIL-DTL-45334E
1.44
1.44
+0
2.5
-0.22
1/8 - 27 NPTF
See Reqt. 1
0.31 Mounting Flange
2.75
1.38
1.58
1.28 ±0.14
0.41
2.13
1.06
0.69
0.78
0.81
1.38
0.13
3.19
MAX
0.31 R
0.34 DIA
0.28
2 Holes
MIN
+0.30
0.73
-0
Air Flow
Direction
1.000
0.89 I. D.
DIA
MAX
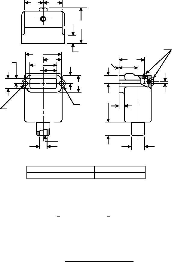
Part Identifying Number (PIN)
Prior MS part number
M45334-9
MS53005-1
NOTES:
1. Pipe thread must extend into air flow opening and may be located at either
end of the positions shown.
2. Unless otherwise specified, dimensions are in inches.
Tolerances: +1/64 on fractions and +0.005 on decimals.
FIGURE 3. Air cleaner, intake: compressor.
9
For Parts Inquires call Parts Hangar, Inc (727) 493-0744
© Copyright 2015 Integrated Publishing, Inc.
A Service Disabled Veteran Owned Small Business