
MIL-DTL-45334E
Part Identifying Number (PIN)
Prior MS part number
M45334-2
MS53032-1
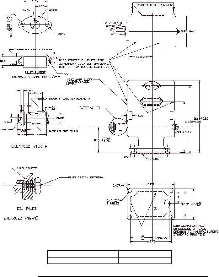
FIGURE 2. Compressor, reciprocating, power driven: air cooled, 12 ft3/min w/unloader.
7
For Parts Inquires call Parts Hangar, Inc (727) 493-0744
© Copyright 2015 Integrated Publishing, Inc.
A Service Disabled Veteran Owned Small Business